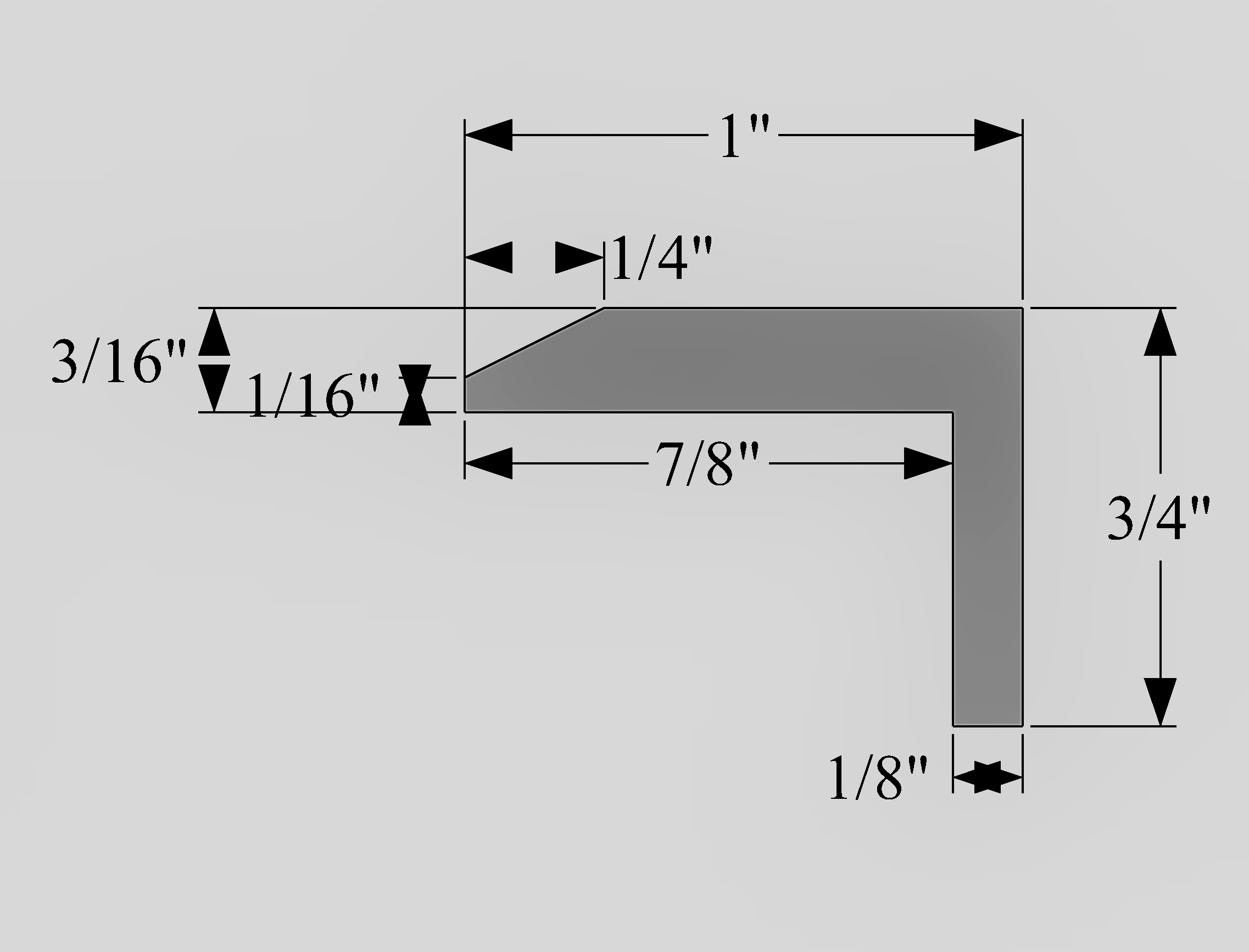
Bevel Edges - Aluminum Linear Bar Grilles ONLY

Bevel edges are available in aluminum for Linear Bar Grilles for B frame grilles only. Available for LG10, LG20, LG30 and LG40 grilles.